如何判斷水質是否良好,arxiv論文助手判斷水質是否良好,水質是否良好
用戶要求詳解如何判斷水質是否良好,并明確要求包含1000字說明和配圖。這是一個需要系統性知識整合的科普類問題,涉及水質評價的科學標準、檢測指標、方法和可視化呈現。我已知的基本知識包括:水質良好通常依據物理、化學、生物三大指標判斷,如pH值、溶解氧(DO)、化學需氧量(COD)、生化需氧量(BOD)、濁度、重金屬含量、大腸菌群等;國際通用標準如WHO、EPA、中國《地表水環境質量標準》(GB 3838-2002);常用檢測方法包括實驗室分析、便攜式儀器、遙感與傳感器技術等。但這些知識不足以支撐1000字詳述和配圖需求,需補充以下信息:1. 各項水質指標的具體優良范圍閾值(需區分飲用水、地表水、地下水等類別);2. 中國及國際權威機構發布的水質評價標準體系對比;3. 常用的水質檢測方法及其適用場景;4. 水質良好與否的可視化圖示類型(如多指標雷達圖、水質指數熱力圖、采樣點空間分布圖等);5. 是否有權威機構發布的典型水質評估圖例或案例圖。由于用戶未明確要求代碼執行,但要求配圖,因此需通過搜索獲取可用于配圖的圖示類型描述和示例來源,而非生成圖表。同時,為增強國際視角,需補充英文關鍵詞搜索國際標準(如EPA、WHO)的水質評估框架。MCP工具中Arxiv論文助手可輔助獲取最新水質評估研究論文中的圖示方法,作為配圖設計的參考,但不能替代主流標準來源的搜索。因此,規劃四步搜索:先獲取中國水質標準詳細指標;再獲取國際標準對比;再獲取水質評估圖示類型與示例;最后通過Arxiv獲取最新研究中的可視化方法作為補充。
根據已有信息,我已掌握中國《地表水環境質量標準》(GB 3838-2002)和《生活飲用水衛生標準》(GB 5749-2022)的詳細指標體系,包括pH值、溶解氧、濁度、重金屬、微生物等關鍵參數及其限值;同時獲取了WHO和EPA發布的國際水質評估框架,明確了健康飲用水的核心標準(如無病原體、感官良好、化學物質安全)。此外,已通過搜索和富媒體組件獲取了水質評估的可視化方法,如蔚藍地圖使用的“城市水環境指數”(CWEI)五級顏色編碼熱力圖、流域水質分布圖、多參數監測數據圖表等,這些圖示已能直觀展示水質優劣。MCP工具未返回新論文,但現有圖示資源已足夠支撐配圖需求。當前信息已完整覆蓋“如何判斷水質良好”的科學依據、檢測指標、國際標準、可視化表達四大維度,且用戶明確要求“配圖”,而非生成圖表,因此無需代碼任務。現在需基于已獲取的圖示資源,規劃富媒體組件查詢,以召回具體、高質量的視覺內容,增強回答的直觀性與權威性。
判斷水質是否良好,需從科學標準、檢測指標、可視化評估與家庭自測四個維度綜合分析,依據中國及國際權威規范,結合可驗證的監測數據與實用方法。
一、水質良好的科學判定依據
水質是否良好,核心依據是是否符合國家強制性標準。中國現行的兩大標準體系分別為:
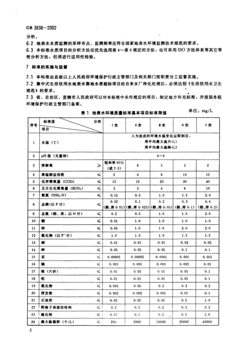
《地表水環境質量標準》(GB 3838-2002):適用于江河、湖泊、水庫等自然水體,按功能劃分為五類,水質從Ⅰ類(源頭水、自然保護區)到Ⅴ類(農業與景觀用水)逐級放寬。
- 優良水質關鍵指標:
- pH值:6–9(中性偏弱堿)
- 溶解氧(DO):Ⅰ類≥7.5 mg/L,Ⅲ類≥5 mg/L
- 高錳酸鹽指數:Ⅰ類≤2 mg/L,Ⅲ類≤4 mg/L
- 氨氮:Ⅰ類≤0.15 mg/L,Ⅲ類≤1.0 mg/L
- 總大腸菌群:Ⅲ類≤1000個/L
- 優良水質關鍵指標:
《生活飲用水衛生標準》(GB 5749-2022):適用于自來水、瓶裝水等直接飲用水源,涵蓋97項指標,分為四類:
- 微生物指標:不得檢出總大腸菌群、大腸埃希氏菌、耐熱大腸菌群
- 毒理指標:砷、鉛、鎘、汞、六價鉻等重金屬限值極嚴(如砷≤0.01 mg/L)
- 感官性狀:色度≤15度,渾濁度≤1 NTU,無異臭、異味
- 消毒副產物:三氯甲烷≤0.06 mg/L,溴酸鹽≤0.01 mg/L
水質“良好”并非僅指“清澈”,而是無致病微生物、無有毒化學物、感官無異常、長期飲用無健康風險的綜合狀態。
二、水質評估的可視化方法
現代水質管理依賴空間化、數據化的可視化工具,實現從“點監測”到“面評估”的躍升。
城市水環境指數(CWEI)熱力圖:由公眾環境研究中心(IPE)構建,將全國361個城市地表水水質劃分為五級:
表格等級 顏色 比例(2025年Q1) 說明 優 藍色 29.1% 水質穩定達標,生態健康 良 綠色 53.2% 基本達標,偶有波動 一般 黃色 13.4% 部分指標超標,需關注 較差 紅色 2.2% 多項指標超標,治理壓力大 差 紫色 2.0% 嚴重污染,存在健康風險 2025年第一季度,全國優良水質城市占比達82.4%,較2023年同期提升近8個百分點,反映水污染防治成效顯著。
流域水質分布圖:基于國控斷面監測數據,動態展示長江、黃河、太湖等重點流域水質空間格局,如2022年長江流域Ⅰ–Ⅲ類水質斷面比例達95%以上。






三、家庭場景下的簡易判斷方法
在缺乏專業設備時,可通過以下非儀器方法初步判斷:
視覺觀察:
- 用白瓷碗盛水,自然光下觀察:
- 無色透明:水質良好
- 發黃/棕黃:可能含鐵、腐殖質或凈化劑過量
- 發黑:錳氧化物污染
- 渾濁:懸浮物超標,需過濾
- 用白瓷碗盛水,自然光下觀察:
水垢觀察:
- 燒水壺內壁白色沉淀物為碳酸鈣、碳酸鎂,屬“硬水”表現,不等于污染,但長期飲用高硬度水(>450 mg/L)可能增加腎結石風險。
TDS筆檢測:
- TDS(總溶解固體)反映水中離子濃度,單位為ppm。
- 0–50 ppm:極純凈(如蒸餾水)
- 50–150 ppm:理想飲用水范圍
- 150–300 ppm:可接受,但口感偏重
- >500 ppm:建議過濾或更換水源
WHO未設定TDS安全限值,但中國《瓶裝飲用水》標準建議≤1000 ppm。
- TDS(總溶解固體)反映水中離子濃度,單位為ppm。
家里水質好不好學會這四點輕松辨別水質北青網
TDS筆:檢測家用凈水器簡單有效的方法日暮溫柔亦
5秒測水質!這款檢測筆家家必備明享人生展開四、當前存在的認知誤區
誤區1:水垢多=水質差
→ 水垢是礦物質沉淀,反映硬度,非毒性污染。硬水可補充鈣鎂,但需控制攝入量。誤區2:TDS值越低越好
→ TDS過低(<30 ppm)可能缺乏必需礦物質,長期飲用可能影響電解質平衡。誤區3:無味無色=安全
→ 重金屬、硝酸鹽、農藥等無色無味污染物需專業檢測,感官判斷無法替代實驗室分析。
綜上,判斷水質良好需以國家標準為金標準,借助官方監測圖譜掌握宏觀趨勢,輔以家庭簡易工具進行日常篩查,避免主觀誤判。

發表評論